はじめに
以下は,三級海技士(機関)の筆記試験 「機関2」の補機(8)工作機械・工具・計測装置に関するの過去問題です。
※ 出題は,平成22年10月から令和7年7月定期試験までの問題を調べたものです。(類)は,類似の問題を示します。解答は一緒です。平成=H,令和=Rに年/月を数字で示しております。
計測装置
〔問題4〕
電気式温度計に関する次の文の[ ]の中に適合する字句又は数字を記せ。
(1) 測温抵抗体は,雲母や磁器などの[ ア ]物に抵抗素線を巻き[ イ ]管に収めたものである。
(2) 測温抵抗体が短絡して,回路の抵抗値が[ ウ ]になると,指示計器に流れる電流が[ エ ]になり,計器を損傷することがあるので,回路を点検するときは,まず[ オ ]を切っておくことが必要である。
(3) 高温測定の場合には,[ カ ]対を使用するほうがよい。
【出題:H24/02,H27/04,H29/04,H31/02,R03/07】
〔問題5〕
電気に関する次の問いに答えよ。
(1) 図は,検流計Gと各抵抗の関係を示す接続図である。いま,Gの示度が0である場合,抵抗値R1,R2,R3及びR4はどのような関係になるか。(式で示せ。)また,このような回路を何と呼ぶか。
(2) 電気回路における自己誘導作用とは,どのようなことか。
【出題:H29/07,H30/10,R02/07】

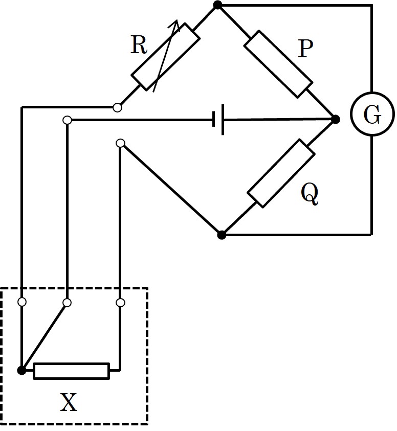
〔問題6〕
図は,抵抗温度計の原理を示す回路図である。図に関する次の文の[ ]の中に適合する字句又は記号を記せ。
P及びQは固定抵抗,Rは[ ア ]抵抗,Xは[ イ ]抵抗体である。この回路で[ ウ ]計Gの指示が0になるようにRを調整すると,上記4つの抵抗の抵抗値(RP,RQ,RR及びRX)の間に次式が成立する。
RX・[ エ ]=RR・[ オ ]
したがって,Rに目盛板をつけておけば温度を計測することができる。
【出題:H27/02,R01/07,R04/10,R07/02】

〔問題7〕
電気計器に関する次の問いに答えよ。
(1) 伝達装置の機能には,信号の電送の他にどのようなものがあるか。
(2) 電気信号の伝送方式である電圧電流式及び平衡式とは,それぞれどのような方式か。
【出題:R06/10】
〔問題8〕
電気計器に関する次の問いに答えよ。
(1) 絶縁抵抗計(メガー)を用いて下記①~③の各絶縁抵抗を測定する場合,L端子(線路端子),E端子(接地端子)は,それぞれどこに接続するか。
① 配線用遮断器(ノンヒューズブレーカ)から照明灯までの電路と船体間
【出題:H22/10,H23/10,H25/02,H26/04,H29/07,R01/07】
①’ 配線用遮断器(ノンヒューズブレーカ)から通風用電動機までの電路と船体間
【出題:R04/04,R06/02】
② 配線用遮断器から照明灯までの電線相互間
【出題:H22/10,H23/10,H25/02,H26/04,H29/07,R01/07】
②’ 配線用遮断器から通風用電動機までの電線相互間
【出題:R04/04,R06/02】
③ 電動機巻線【出題:H22/10,H23/10,H25/02,H26/04,H29/07,R01/07,R04/04,R06/02】
(2) クランプメータを用いての電流の測定は,どのようにして行うか。また,回路計(テスタ)と比較した場合の利点は,何か。(ただし,利点については,2つあげよ。)
【出題:H22/10,H23/10,H25/02,H26/04,H29/07,R01/07,R04/04】
〔問題9〕
回路計(テスタ)により抵抗を測定する場合に関して,次の問いに答えよ。
(1)どのような手順で行うか。
【出題:H23/04,H24/07,H28/04,H28/07,H29/10,R02/02,R03/04,R05/04,R05/07,R07/04(類), R07/07】
(2) 抵抗回路が断線していると,指針の示度は,どのようになるか。
【出題:H23/04,H24/07,H28/07,H29/10,R02/02,R03/04,R05/04,R05/07 ,R07/07】
(3) 導線(リード線)のプラス及びマイナスを考慮する必要があるか。
【出題:H23/04,H24/07,H28/07,H29/10,R02/02,R03/04,R05/04,R05/07 ,R07/07】
(4) 抵抗を電気回路に取り付けたまま測定する場合,正しい測定値を得るために,回路についてどのような注意が必要か。
【出題:H23/04,H24/07,H28/07,H29/10,R02/02,R03/04,R05/04,R05/07 ,R07/07】
