はじめに
以下は,三級海技士(機関)の筆記試験 「機関2」の自動制御装置(12に関する過去問題です。
※ 出題は,平成22年10月から令和7年7月定期試験までの問題を調べたものです。(類)は,類似の問題を示します。解答は一緒です。平成=H,令和=Rに年/月を数字で示しております。
自動制御装置
〔問題1〕
自動制御装置に関する次の問いに答えよ。
(1) 下記(ア)~(ウ)の役目は,それぞれ何か。
(ア) 検出部 (イ) 調節部 (ウ) 操作部
(2) 空気式及び油圧式操作部には,それぞれどのような機器が使用されるか。(機器名を1つずつあげよ。)
【出題:H22/10,H25/04,H27/10,R02/07,R03/10,R05/04】
〔問題2〕
自動制御装置の操作部に関する次の文の[ ]の中に適合する字句を記せ。
(1) 操作部は,偏差に応じて[ ア ]部から出される信号によって,操作端に所定の動作を行わせる部分である。したがって,制御対象を操作するために十分な操作力が必要であり,動作速度が速く,かつ,[ イ ]でなくてはならない。操作部の方式としては,空気式,電気式及び[ ウ ]式が実用されている。
(2) 空気式操作部として最も多く使われているものに[ エ ]弁がある。これは,[エ]に加えられる㋐部からの出力空気による力とばねが平衡する位置まで,弁軸に連結されている弁体を変位させ,弁を通過する流量を変化させる。そして[エ]上面より操作空気が供給される場合,空気圧が増加すると弁軸が下方に向かう方式を[ オ ]作動形という。
【出題:H23/07,H27/07,R01/10】
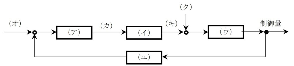
〔問題3〕
図は,フィードバック制御の基本的なブロック線図を示す。図に関する次の問いに答えよ。

(1) (ア)~(エ)に適合するものは,それぞれ下記①~④の中のどれか。
① 制御対象 ② 調整部 ③ 操作部 ④ 検出部
(2) 外乱は,(オ)~(ク)のどれか。また,外乱とは,どのようなことか。
(3) 調節部は,どのような役目をするか。
【出題:H28/02,H30/04】
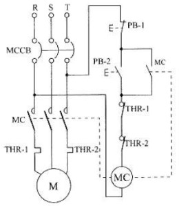
〔問題4〕
図は,三相誘導電動機のシーケンス制御回路の説明図である。図に関する次の問いに答えよ。
(1) PB-1及びPB-2の接点は,それぞれメーク接点か,それともブレーク接点か。
(2) 文字記号THR-1及びTHR-2は,何か。また,どのような場合に,どのような作動をするか。
(3) 始動及び停止の作動を説明すると,それぞれどのようになるか。
【出題:H25/10,R03/02,R06/07】

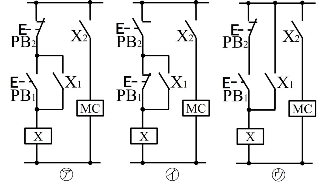
〔問題5〕
図は,電動機の押しボタン式発停回路の一部を示す展開接続図である。図に関する次の問いに答えよ。

(1) 正しい展開接続図は,図㋐~㋒の中のどれか。また,その図において,始動時及び停止時の動作は,それぞれどのようになるか。
(2) 上記(1)のほかの2つの展開接続図が正しくない理由は,それぞれ何か。
【出題:H24/04,H31/04,R02/07】
〔問題6〕
コンピュータネットワークの構成に関する次の問いに答えよ。
(1) コンピュータネットワークとは,何か。
(2) LAN及びWANとは,それぞれ何か。
(3) WANは,どのようなところで利用されているか。(具体例を1つあげよ。)
(4) ネットワークを守るセキュリティ管理は,どのように行われているか。
【出題:R02/10,R04/07,R05/10 ,R07/04】
