はじめに
以下は,三級海技士(機関)の筆記試験 「機関3」の製図(2)に関する過去問題です。
※ 出題は,平成22年10月から令和7年7月定期試験までの問題を調べたものです。(類)は,類似の問題を示します。解答は一緒です。平成=H,令和=Rに年/月を数字で示しております。
製図
〔問題9〕
図は,歯車の各部の名称を表す略図である。図に関する次の問いに答えよ。
(1) a,d,s及びtは,それぞれ何というか。
(2) 底の隙間(頂隙)は,何のため設けられているか。また式で表すと,どのようになるか。
(3) バックラッシは,式で表すと,どのようになるか。
【出題:H25/10,H29/02,H30/10,R05/07】

〔問題10〕
平歯車の機械製図に関する次の問いに答えよ。
(1) 歯先円は,どのような線で図示するか。 【出題:H24/02,H26/02】
(2) ピッチ円は,どのような線で図示するか。 【出題:H24/02,H26/02】
(3) モジュールとは,何か。 【出題:H24/02,H26/02,R03/04,R03/10】
(4) 歯先円及びピッチ円は,それぞれどのような線で図示するか。【出題:R03/04,R03/10】
(5) 底の隙間(頂隙)は,何のため設けられているか。また,式で表すと,どのようになるか。
【出題:R03/04,R03/10】
(6) バックラッシは,式で表すと。どのようになるか。
【出題:R03/04,R03/10】
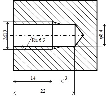
〔問題11〕
図は,機械製図における「めねじ」の図示の一例である。図に関する次の問いに答えよ。
(1) ねじの種類は何か。
(2) ねじの呼び径は,いくらか。(単位も記せ。)
(3) 寸法長さ14の部分を何と呼ぶか。
(4) 寸法長さ3の部分を何と呼ぶか。
(5) 上記(3)のねじ部の算術平均粗さはいくらか。(単位も記せ。)
【出題:H23/04,H26/04,H29/04,H31/02,R02/07,R04/04,R06/02 ,R07/04 】

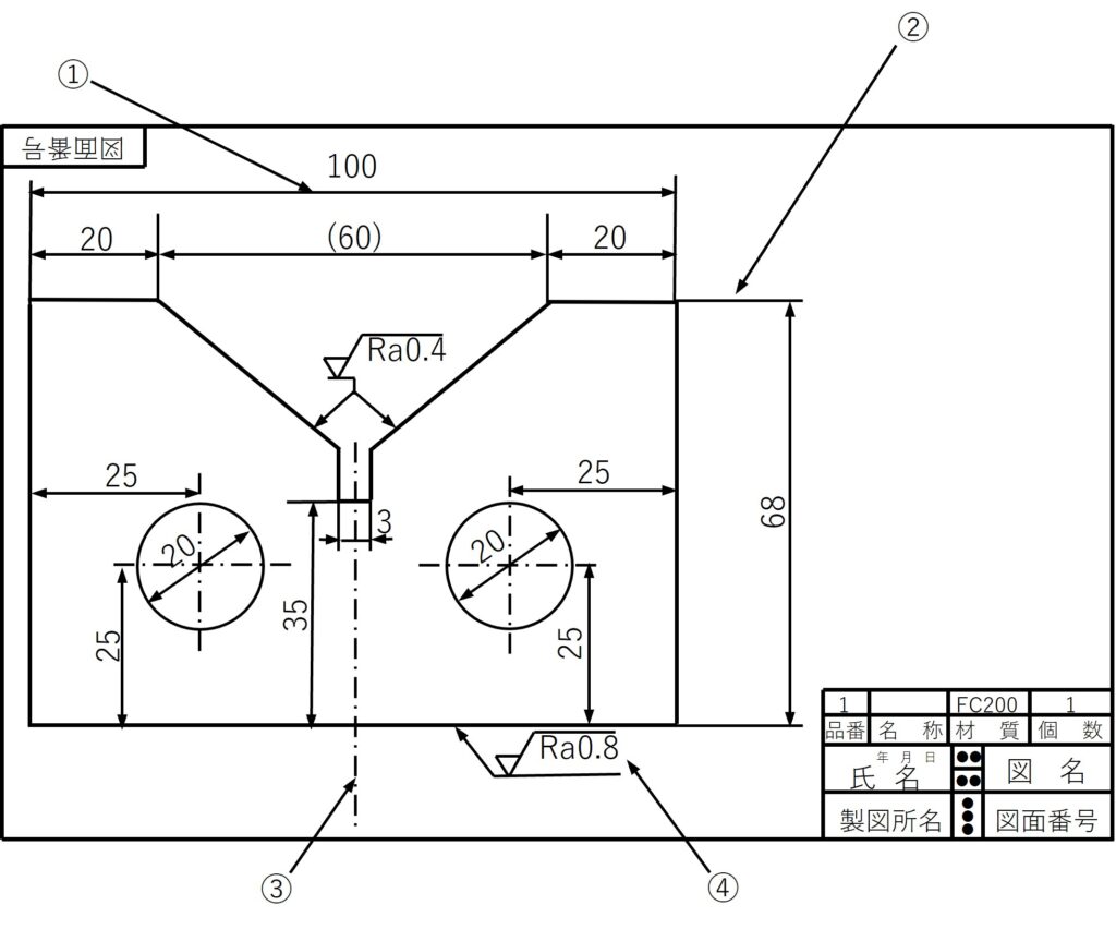
〔問題12〕
図は,ある品物を三角法による正面図のみを表した機械製図の1例である。図に関する次の問いに答えよ。
(1) ①~③の線は,それぞれ何と呼ばれるか。
(2) ④は,何を表しているか。また,パラメータ記号Raは,何と呼ばれるか。
(3) この品物は,どのような材料で製作するのか材料名とその機械的性質を記せ。)
【出題:R03/02,R04/07,R07/02】

〔問題13〕
機械製図における「ねじの略図」に関して,次の文の[ ]の中に適合する字句を記せ。
(1) ねじは,ふつう略図で表す。ねじを描くにあたっての線の用い方は,おねじの山の頂を示す外径線は[ ア ]い実線,谷底を示す谷経線は[ イ ]い実線,完全ねじ部と不完全ねじ部の境界線は[ ウ ]い実線で表す。
また,見えない部分のめねじは,中間の太さの[ エ ]線で描く。
(2) ねじの表し方は,おねじの山の頂又はめねじの谷底を表す線から[ オ ]線を出し,その端部に水平線を設け,その上にねじ山の[ カ ]方向,ねじ山の[ キ ]数,ねじの呼び及び[ ク ]級を記入する。
【出題:H22/10,H24/04,H26/07,H28/04,H30/07,R06/04】
